AVF Inserts

best Inserts in Vietnam

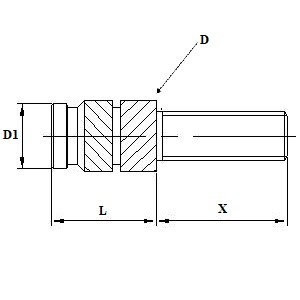
Treaded  Stud Inserts (TS)

Can be ordered as straight or tapered, in various lengths, and with or without threads.  The threaded studs design can be used as additional electrical contacts or functions as self-tapping screws.

Our Threaded Inserts can be order in Metric and Inch . We supply all kinds of Inserts with variety length for the industry.

 

Looking for the Best Engineering Solution for your Project?

GET STARTED NOW

ABOUT US

AVF Inserts

subsidiary of VF Decolletage Co, Ltd.

Lot 11 Zone A1 Tan Thoi Hiep Ind Zone, W. Hiep Thanh D.12, HCMC, Vietnam.

Web:   www.avfinserts.com - www.avfinserts.vn

           www.vfdecolletage.com

Email: sales@avfinserts.com

Tel:     +84.283.717.5001

Fax:    +84.283.717.5278

 

AVF Decolletage

5754 Old Clifton Rd,

Clifton VA 20124, U.S.A.

Web:   www.avfdecolletage.com

Email: info@avfdecolletage.com

Tel:     +1.571.393.3099

All Rights Reserved © 2020 | AVF Inserts