AVF Inserts

best Inserts in Vietnam

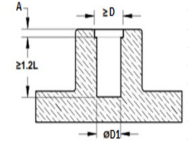
Self Tapping Inserts (ST)

One of the best inserts in terms of pull-out performance for post-mold installation.  The external thread design creates maximum shear surface area and provides back-out torque performance.  Suitable for weaker materials that have low core strength.

Our Threaded Inserts can be order in Metric and Inch . We supply all kinds of Inserts with variety length for the industry.

Looking for the Best Engineering Solution for your Project?

GET STARTED NOW

ABOUT US

AVF Inserts

subsidiary of VF Decolletage Co, Ltd.

Lot 11 Zone A1 Tan Thoi Hiep Ind Zone, W. Hiep Thanh D.12, HCMC, Vietnam.

Web:   www.avfinserts.com - www.avfinserts.vn

           www.vfdecolletage.com

Email: sales@avfinserts.com

Tel:     +84.283.717.5001

Fax:    +84.283.717.5278

 

AVF Decolletage

5754 Old Clifton Rd,

Clifton VA 20124, U.S.A.

Web:   www.avfdecolletage.com

Email: info@avfdecolletage.com

Tel:     +1.571.393.3099

All Rights Reserved © 2020 | AVF Inserts